der Schlauch hängt noch an der Karroserie... Jay, bitte einmal den Innendurchmesser nachschauen
Wassertemperatur wo abgreifen
Moderatoren: moderator1, moderator4, moderator5
- Fips
- Probe-Bayer
- Beiträge: 9083
- Registriert: 30 Jul 2007 03:36
- Postcode: 91217
- Country: Germany
- Euer Wunschtitel: GFK Schnüffler
- Modell: Probe 2 GT
- Erstzulassung: 10/96
- FIN: T - 1996
- Wohnort: Hersbruck / Mittelfranken
Re: Wassertemperatur wo abgreifen
der Schlauch hängt noch an der Karroserie... Jay, bitte einmal den Innendurchmesser nachschauen
“Strive for perfection in everything you do. Take the best that exists and make it better. When it does not exist, design it.” Henry Royce †
- hexemone
- donating probe-bayer
- Beiträge: 7751
- Registriert: 22 Mai 2007 10:38
- Postcode: 87600
- Country: Germany
- Euer Wunschtitel: Hexe
- Modell: Probe 2 SE
- Erstzulassung: 1992
- FIN: N - 1992
- Wohnort: Allgäu
- Kontaktdaten:
Re: Wassertemperatur wo abgreifen
Jay is scho weg, werd ich nachher messen, wenn ich rüberkomm... jetzt mal ab zum Hufschmied...
*hexhex* ich bin weg 
- Jay
- donating probe-bayer
- Beiträge: 18445
- Registriert: 22 Mai 2007 10:31
- Postcode: 87600
- Country: Germany
- Euer Wunschtitel: Exoten-Sammler
- Modell: Probe 2 GT
- Erstzulassung: 1992
- FIN: N - 1992
- Wohnort: München und Allgäu
- Kontaktdaten:
[Erledigt] FoliaTec Schlauchcover
Wink ist angekommen!Fips hat geschrieben: (Wenn ich mal die maße bekomme)
Aber ich hab gestern etwas (zu) viel Zeit damit verbracht, deinen MSD bei Mone zu verbauen - der war mal glatte 20cm zu kurz!
Aber die Schieblehre liegt schon bereit - ich weiss nur net genau, welchen Schlauch du da eigentlich meinst - da sind VIER!
- Fips
- Probe-Bayer
- Beiträge: 9083
- Registriert: 30 Jul 2007 03:36
- Postcode: 91217
- Country: Germany
- Euer Wunschtitel: GFK Schnüffler
- Modell: Probe 2 GT
- Erstzulassung: 10/96
- FIN: T - 1996
- Wohnort: Hersbruck / Mittelfranken
Re: [Erledigt] FoliaTec Schlauchcover
Die zwei Schläuche wo hochgebunden sind... die gehen in den Innenraum
Glaub die sind gleich dick, da ist es egal welchen du nimmst
Glaub die sind gleich dick, da ist es egal welchen du nimmst
“Strive for perfection in everything you do. Take the best that exists and make it better. When it does not exist, design it.” Henry Royce †
- Jay
- donating probe-bayer
- Beiträge: 18445
- Registriert: 22 Mai 2007 10:31
- Postcode: 87600
- Country: Germany
- Euer Wunschtitel: Exoten-Sammler
- Modell: Probe 2 GT
- Erstzulassung: 1992
- FIN: N - 1992
- Wohnort: München und Allgäu
- Kontaktdaten:
Re: [Erledigt] FoliaTec Schlauchcover
Aaaah, jetzt, ja, ich (nein, Mone!) dachte erst, du meinst andere Schläuche, aber die gehen klar, mach ich heut!
- Jay
- donating probe-bayer
- Beiträge: 18445
- Registriert: 22 Mai 2007 10:31
- Postcode: 87600
- Country: Germany
- Euer Wunschtitel: Exoten-Sammler
- Modell: Probe 2 GT
- Erstzulassung: 1992
- FIN: N - 1992
- Wohnort: München und Allgäu
- Kontaktdaten:
Re: [Erledigt] FoliaTec Schlauchcover
So, die sind nicht gleich - der Linke hat nen Innedurchmesser von 18mm, der rechte nen Innendurchmesser von 16mm.
Mone hat noch ein Bildchen dazu!
(Und ich hab das mal von den FoliaTech-Dingern hierher verschoben!)
Mone hat noch ein Bildchen dazu!
(Und ich hab das mal von den FoliaTech-Dingern hierher verschoben!)
- Fips
- Probe-Bayer
- Beiträge: 9083
- Registriert: 30 Jul 2007 03:36
- Postcode: 91217
- Country: Germany
- Euer Wunschtitel: GFK Schnüffler
- Modell: Probe 2 GT
- Erstzulassung: 10/96
- FIN: T - 1996
- Wohnort: Hersbruck / Mittelfranken
Re: Wassertemperatur wo abgreifen
Denke das könnte abhilfe schaffen
Also muss ich mich nach dem linken richten, da der vom Motor kommt
Also muss ich mich nach dem linken richten, da der vom Motor kommt
“Strive for perfection in everything you do. Take the best that exists and make it better. When it does not exist, design it.” Henry Royce †
- Jay
- donating probe-bayer
- Beiträge: 18445
- Registriert: 22 Mai 2007 10:31
- Postcode: 87600
- Country: Germany
- Euer Wunschtitel: Exoten-Sammler
- Modell: Probe 2 GT
- Erstzulassung: 1992
- FIN: N - 1992
- Wohnort: München und Allgäu
- Kontaktdaten:
Re: Wassertemperatur wo abgreifen
Ja, müsste der Vorlauf sein, also ZUR Heizung hin, das ist der dicke! Auch klar: Warmes Wasser braucht mehr Platz als kaltes, denn im Wärmetauscher der Heizung wirds ja abgekühlt!
Theoretische Grüße
Theoretische Grüße
- Fips
- Probe-Bayer
- Beiträge: 9083
- Registriert: 30 Jul 2007 03:36
- Postcode: 91217
- Country: Germany
- Euer Wunschtitel: GFK Schnüffler
- Modell: Probe 2 GT
- Erstzulassung: 10/96
- FIN: T - 1996
- Wohnort: Hersbruck / Mittelfranken
Re: Wassertemperatur wo abgreifen
“Strive for perfection in everything you do. Take the best that exists and make it better. When it does not exist, design it.” Henry Royce †
- Fips
- Probe-Bayer
- Beiträge: 9083
- Registriert: 30 Jul 2007 03:36
- Postcode: 91217
- Country: Germany
- Euer Wunschtitel: GFK Schnüffler
- Modell: Probe 2 GT
- Erstzulassung: 10/96
- FIN: T - 1996
- Wohnort: Hersbruck / Mittelfranken
Re: Wassertemperatur wo abgreifen
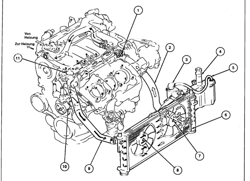
Naja, ich werd dann wohl an der Nr. 2 die Temperatur abgreifen.
Die Anzeige soll ja quasi warnen wenn das Kühlwasser zu warm ist und da ist ja eh schon der große Kühlkreislauf aktiv.
Ich würde auch deswegen die Zuleitung nach dem Kühler nehmen, weil ich dann seh wie hoch die "gekühlte" Wassertemperatur ist wenn sie in den Motor geht.
Wo sitzt eigentlich der Originale Temperaturgeber, wird die Anzeige im Tacho über das Thermostat angezeigt?
Die Anzeige soll ja quasi warnen wenn das Kühlwasser zu warm ist und da ist ja eh schon der große Kühlkreislauf aktiv.
Ich würde auch deswegen die Zuleitung nach dem Kühler nehmen, weil ich dann seh wie hoch die "gekühlte" Wassertemperatur ist wenn sie in den Motor geht.
Wo sitzt eigentlich der Originale Temperaturgeber, wird die Anzeige im Tacho über das Thermostat angezeigt?
“Strive for perfection in everything you do. Take the best that exists and make it better. When it does not exist, design it.” Henry Royce †
- No-Bleifuss
- Probe-Bayer
- Beiträge: 193
- Registriert: 04 Sep 2007 17:51
- Postcode: 63263
- Country: Germany
- Euer Wunschtitel: Chiptuner
- Modell: Probe 2 24v
- Erstzulassung: 1995
- FIN: R - 1994
- Wohnort: Neu Isenburg
- Kontaktdaten:
Re: Wassertemperatur wo abgreifen
Beim einfüllstutzen oben inks, der kleine schwarze plastikstecker mit dem einzelnen schwarzen kabel dran.
- Jo-Kurt
- admin
- Beiträge: 4630
- Registriert: 22 Mai 2007 16:24
- Postcode: 31275
- Country: Germany
- Euer Wunschtitel: IDDQD-MAN
- Erstzulassung: 20.02.86
- Wohnort: 31275 Lehrte
- Kontaktdaten:
Re: Wassertemperatur wo abgreifen
dann lass mal dein thermostat klemmen....deine anzeige dümpelt bei kalt, der motor kocht....Fips hat geschrieben:Naja, ich werd dann wohl an der Nr. 2 die Temperatur abgreifen.
Die Anzeige soll ja quasi warnen wenn das Kühlwasser zu warm ist und da ist ja eh schon der große Kühlkreislauf aktiv.
eine kühlmitteltempanzeige gehört IMMER in den kleinen kreislauf
sonst kannst sie dir auch sparen...
cu
kurt
"Es ist dem Untertanen untersagt, den Maßstab seiner beschränkten Einsicht an die Handlungen der Obrigkeit anzulegen." (Kurfürst Friedrich Wilhelm von Brandenburg)
"Demokratie ist die Kunst, die breite Masse in dem Glauben zu lassen sie hätte die Wahl." (Jo-Kurt)
"Demokratie ist die Kunst, die breite Masse in dem Glauben zu lassen sie hätte die Wahl." (Jo-Kurt)
- carstyle24v
- Probe-Bayer
- Beiträge: 657
- Registriert: 21 Feb 2008 23:37
- Postcode: 87448
- Country: Germany
- Euer Wunschtitel: Fächerkrümmerwickler
- Modell: Probe 2 24v
- Erstzulassung: 1994
- FIN: R - 1994
- Wohnort: Immenstadt
Re: Wassertemperatur wo abgreifen
Fips hat geschrieben:Richtig![]()
Aber irgendwie wollen die ned das man das dort abgreift. Kleinster Adapter ist 28mm![]()
RaidHP
Hab i doch gesagt


